久米熊野坐神社本殿
建物データ
| 指定名称 | 久米熊野坐神社本殿 安永8年(1779) 三間社流造、銅板葺、西向 |
|---|---|
| 指定年月日 | |
| 所在地 | 多良木町久米 |
| 修理記録 | 昭和12年:銅板葺に改修 |
| 保存修理工事報告書 |
久米熊野坐神社本殿
『麻郡神社記』では、当社は今山権現と称され、熊野神社と同体で、草創については不明です。
天文13年(1544)藤原晴廣公の御願として藤原爲宗本殿修造、天文14年(1545)地頭藤原長重拝殿造替、藤原晴廣公武運長久并び上村新左衛門尉長陸延命当所安穏の願辞あり、寛永5年(1628)藤原頼兄拝殿改造。
当社昔年は別当あり杉谷山了清院と号す、天正年中(1573~1591)雷火にて再興、焼失したのち退転し、その後修験道ありて奉仕す、社司今に至りてすでに三卉也、元禄4年(1691)社司惟兼里氏を勧て拝殿造営すとの記載があります。
久米熊野坐神社本殿正面妻面
破風板、懸魚、向拝飛檐垂木が取り替えられています。
久米熊野坐神社本殿正面
ここ見てください
向拝中備には天文13年(1544)に建立された前本殿の本蟇股が転用されています。
久米熊野坐神社本殿向拝内部
繋虹梁は中世本殿のような意匠となっています。
久米熊野坐神社本殿向拝蟇股
蟇股下には飼物を入れ高さが調整され、足元の先が若干切断されているようです。
久米熊野坐神社本殿身舎木鼻
木鼻の輪郭構成は中世に建立された社寺建築と同じで、前本殿の細部意匠を継承しているようにみられます。
久米熊野坐神社本殿拳鼻
拳鼻の輪郭構成も中世に建立された社寺建築と同じで、前本殿の細部意匠を継承しているようにみられます。
久米熊野坐神社本殿向拝床板下面
床板は足固貫、板掛けに当たる部分を削って上端の高さが調整されています。
建物情報
※情報の内容はその後の調査・研究成果によるものです。
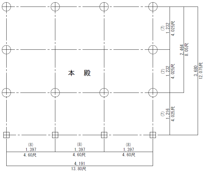
| 平面計画 | ![]() 熊本大学で作図された図面を見ると、正面規模4,191㎜、三間等間で各間1,397㎜、身舎側二間は各間1,232㎜、向拝奥行1,216㎜となっています。ここでは鉄尺(1尺302.58㎜)に換算して平面計画を分析します。 図面に記載された柱間寸法では計画性が把握できません。正面三間各間4.6尺とすると、向拝奥行寸法と寸法比でほぼ8:7となりこの場合4.025尺(1,219㎜)です。身舎側面二間の柱間寸法は向拝奥行き寸法と16㎜しか差がなく、中世に建立された本殿のように側面三間を同じ柱間寸法とすると、正面三間と側面三間の寸法比は8:7となります。正面三間各間10枝ですので一枝寸法は0.46尺です。 実測調査が可能であれば再度平面計画を分析し報告したいと思います。 |
|---|
